3
VOLCANIC LANDFORMS

Nicholas M. Short

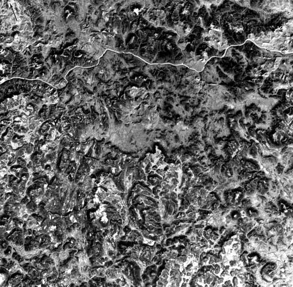
As perceived from space, entire geomorphic provinces may look volcanic in origin (e.g., Columbia Plateau in the Pacific Northwest section of the United States); in other provinces, volcanism may prevail over a significant but usually spatially discontinuous fraction of the region (as in parts of the Basin and Range province of the United States). The extent to which a regional landscape is controlled by volcanism depends on: (1) the nature of the extruded materials (basic lava's tend to spread over larger areas, producing landforms with more subdued slopes (1 to 50) than do silicic lava's (20 to 350); (2) the distribution of vents and fissures; (3) the volume of outpourings, (4) the duration of volcanism, (5) the age(s) of volcanic activity relative to the present and to associated stratigraphic units; and (6) the intensity and stage of subsequent erosional activity. In some regions, volcanic outpourings were confined to a limited time period, leading to flows that cap older nonvolcanic units. The resistance of such volcanic rocks to erosion strongly influences the subsequent history of landscape development as streams penetrate into the underlying more erodible bedrock, causing a distinctive assemblage of lava-capped hills and mesas (as, for example, in the western Siberian Platform of Russia, Figure 3-l). Likewise, lava flows and/or thick tephra deposits that accumulate over larger areas may partially to completely bury preexistent topography.

Figure 3-1. Landforms developed by erosion of Permo-Triassic rocks capped by basaltic trap. Area shown in this Landsat image (1097-04465-5;Oct 28, 1972) is part of the western Siberian Platform drained by the Nizhnyaya Tunguska river. Many hills are flat-topped, reflecting control by the resistant volcanic members. The Platform contains 750000 km2 of Mesozoic flood basalts. Figure 3.1

Most (about 82 percent) currently active centers of volcanism are concentrated on or near convergent margins of continents and island arcs along plate boundaries within the Pacific Basin ("Ring of Fire"). Nearly 14 percent of the world's active volcanoes are located in the Indonesian Archipelago. Another 6 percent lie along the Mid-Atlantic Ridge. Africa, the Mediterranean, and Arabian Peninsula regions account for 5 percent. The remainder occur at other plate boundaries within the ocean basins (e.g., Hawaiian Islands) or continental interiors (e.g., Yellowstone), generally where one or more subcrustal thermal plumes (hot spots) have been identified or postulated. Although the subaerial distributions of volcanoes now and in the past are intermittent in time and space, the ocean basins have experienced continuous buildup of volcanic layers since at least the Triassic (and probably much farther back in time). Where not covered by thin sedimentary deposits, the topography of the ocean floor is distinctly that of a basaltic volcanic terrain, with shield volcanoes, ridges, cones, and rifts adding variety to an otherwise rather even low-relief surface.

Most landforms identified as specifically resulting from volcanic action differ in two essential respects from some of the other landform types treated in this book. First, volcanoes and their derivative surroundings are primarily constructional during their active or formative stages. Second, most smaller volcanic landforms tend to develop to their full extent more rapidly than many fluvial, tectonic, and other landforms. The net effect due to this and to the high levels of volcanic activity in the last few million years is that large parts of a terrain dominated by volcanism appear to be notably fresher or younger than terrain of a different nature, including those adjacent to the volcanic field. In his textbook on geomorphology, Von Engeln (1942) states:

"Volcanic force is endogenic and, as such, gives rise to constructional landforms. These may be so large as to constitute geomorphic units of first importance. . . . The lesser volcanic features may be so numerous as to give a distinct topographic aspect to wide districts (volcanic regions)."

In terms of the traditional (but now obsolete) Davisian sequence of erosional stages from youth through old age, many volcanic forms seem to be young as now observed. While active, volcanoes are usually built up (repaired) faster than destructional forces can reduce them because of replenishment of surface cover by periodic (and often spasmodic) outpouring of materials. Between occasional eruptions, smaller volcanoes covered with ash undergo conspicuous erosion in a matter of years. However, most volcanic forms do not progress into maturity until the activity causing them has either ceased or been long dormant. For some, this may happen catastrophically, as when parts of a structure collapse or are blown asunder during caldera formation. Likewise, flows generally do not experience significant weathering or removal until after the last flows or ejects have covered them. Surficial forms and features generated by tephra deposits are commonly short- lived because of their ready erodibility. Volcanic structures attain old age when much of their external protective covering has been stripped off, leaving a core of more resistant rock.

Volcanoes develop from extrusion or expulsion of fluids, congealed fragments, and gases that collect or distribute at or near the Earth's surface to produce a variety of forms, chief of which are conical, often mountain-like structures, thin to thick piles of flow sequences, and sheets of airfall deposits of tephra (fragmented particles of volcanic material). The forms are controlled in part by the mode or types of volcanic activity. This ranges from quiet emission to explosive ejection, depending mainly on the gas content and viscosity (related to composition) of the initial magma and resultant lava. The various modes of eruption are identified by reference to an individual named volcano, a regional location, or (in one case) a person (Pliny) associated with the type of activity, as summarized in Table 3-1.

Table 3-1
Types of Volcanic Eruptions*

Type Characteristics
1. Icelandic Fissure eruptions, releasing free-flowing (fluidal) basaltic magma; quiet, gas-poor- great volumes of lava issued, flowing as sheets over large areas to build up plateaus (Columbia).
2. Hawaiian Fissure, caldera, and pit crater eruptions; mobile lavas, with some gas; quiet to moderately active eruptions; occasional rapid emission of gas-charged lava produces fire fountains; only minor amounts of ash; builds up lava domes.
3. Strombolian Stratocones (summit craters): moderate, rhythmic to nearly continuous explosions, resulting from spasmodic gas escape; clots of lava ejected, producing bombs and scoria; periodic more intense activity with outpouring of lava; light-colored clouds (mostly steam) reach upward only to moderate heights.
4. Vulcanian Stratocones, (central vents); associated lavas more viscous; lavas crust over in vent between eruptions, allowing gas buildup below surface; eruptions increase in violence over longer periods of quiet until lava crust is broken up, clearing vent, ejecting bombs, pumice and ash; lava flows from top of flank after main explosive eruption; dark ash-laden clouds, convoluted, cauliflower-shaped, rise to moderate heights more of less vertically, depositing tephra along flanks of volcano. (Note: ultravulcanian eruption has similar characteristic but results when other types (e.g.,Hawaiian) become phreatic and produce large steam clouds, carrying fragmental matter.)
5. Vesuvian More Paroxysmal then Strombolian or Vulcanian types; extremely violent expulsion of gas-charged magma from stratocone vent; eruption occurs after long interval of quiescence of mild activity; vent tends to be emptied to considerable depth; lava ejects in explosive spray (glow above vent), repeated clouds (cauliflower) that reach great heights and deposit tephra.
6. Plinian More violent form of Vesuvian eruption; last major phase is uprush of gas that carries cloud rapidly upward in vertical column for miles; narrow at base but expands outward at upper elevations; cloud generally low in tephra.
7. Peléan Results from high-viscosity lavas; delayed explosiveness; conduit of stratovolcano usually blocked by dome or plug; gas (some lava) escapes from lateral (flank) opening or by destruction or uplift of plug; gas, ash, and blocks move downslope in one or more blasts as nuées ardentes or glowing avalanches, producing directed deposits.
8. Katmaian Variant of a Peléan eruption characterized by massive outpouring of fluidized ashflows; accompanied by widespread explosive tephra; ignimbrites are common end products, also hot springs and fumaroles.
* Abstracted and modified from Chapter XII (pp. 305-31-) of Principles of Physical Geology by A. Holmes, 2nd ed., Ronald Press, 1965, with additional data from Volcanoes: In History, In theory, In Eruption, by F.M. Bullard, University of Texas Press, 1962.

Classifications of volcanic landforms are surprisingly sparse in the literature. Although textbooks and source books (at least those in English) on volcanology (Rittman, 1962; Oilier, 1969; Macdonald, 1972; Bullard, 1976; Williams and McBirney, 1978; Simkin et al., 1981) concentrate on mechanisms of eruption and the petrology of products, they describe most of the large and small scale structures and surface phenomena attendant to the volcanism. More recently, Williams et al. (1983) have developed a geomorphic classification of Icelandic volcanoes. Bloom (1978) treats volcanic landforms in a separate chapter early in his text book on geomorphology. He points out that volcanism can be treated naturally from two viewpoints, either petrologically (including mechanisms of emplacement) or as a landform builder. He notes that classifications are based on one or more defining parameters: (1) chemical composition (and temperatures) of volcanic effluents, (2) state of the ejects released, (3) history of the volcanic field, (4) shapes/locations of the vents/fissures, (5) nature of the volcanic activity, and (6) characteristic landforms. Bloom erects a classification around two parameters: (1) viscosity (quality of magma) and (2) size of the landform edifices (quantity of magma), yielding the types shown in Table 3.2 Many of these types are expressed pictorially in relation to their plutonic sources in Figure 3.2

Table 3-2
Classification of Volcanic Landforms*
Table3.2
*Adapted from Bloom (1978), as simplified from Rittmann *1962), Tables 4 and 5.
Two other books place their prime emphasis on the volcanic landforms per se. These are:
C. A. Cotton, Volcanoes as Landscape Forms, 416 pp., Whitcombe and Tombs, Ltd., Christchurch, New Zealand, 1952.
J. Green and N. M. Short, Volcanic Landforms and Surface Features; A Photographic Atlas, 519 pp., Springer-Verlag, New York, 1971.

Cotton's book delves at length into development of volcanic landforms by both petrogenic mechanisms and modifying geomorphic processes. Numerous worldwide examples are given, but an inordinate number come from his home country of New Zealand. The Green and Short volume is primarily a pictorial atlas with descriptive captions, but an introductory chapter by Arie Poldervaart succinctly summarizes volcanic landform origin and history from the dual standpoints of emplacement and erosion processes.

Figure 3.2 Figure 3-2.Schematic diagram showing characteristic landforms resulting from volcanic action at the surface and their relation to shallow intrusive activity in the crust (in Press and Siever (1982); adapted from R.G.Schimdt and H.R. Shaw, U.S. Geological Survey).

In his book, Cotton proposes grouping volcanic landforms into two first-order classifications, based on: A. Lava Types = 1. Rhyolitic, 2. Andesitic, 3. Basaltic Landforms1 B. Fundamental Physiographic Types = 1. Mountains, 2. Plateaus, 3. Plains, as constructed by volcanic materials. However, Cotton does not formally organize the many landforms treated in his book into any specific classification. The author of this chapter has developed a classification of sorts extracted from the chapter and heading sections and some textual descriptions in Cotton's definitive work. The result violates to some extent principles of scientific taxonomy in that these headings are of mixed character; certain ones refer to structures, others to topographic features, and still others to phenomena or processes accompanying eruption. Nevertheless, the classification as it appears in Table 3.3 (with several modifications from Green and Short) is valuable as a listing of most common larger surface features attributable to volcanism. The table also lists examples of each landform category from selected localities and singles out those landforms (indicated by + ) known to be visible from space. (Others on the list, some now being discriminable but not clearly identifiable, maybe added as higher resolution stereo sensors provide improved imagery.) Some volcanic landforms exemplified in the space images are so large that they can be easily seen, others nevertheless visible are much smaller (best seen under magnification), and many occupy only a tiny fraction of the scene.

Table 3.3
Volcanic Forms and Features


Types of Surface Features Selected Examples
Domes and Cones of Basaltic Lava  
Basalt Cones +
Central and Fissure Vents
Flank Outflows of Lava +
Basaltic Lava Shield (small) +
Basalt Dome (shield) Structure +
Icelandic Spatter Cones
Scoria Cones
San Francisco Volcanic Field, Arizona
Haleakala, Hawaii
Mauna Loa, Etna
Skjaldbreidur, Iceland
Mauna Loa; Mauna Kea
Búrfell, Iceland
Búdaklettur, Iceland
Lava Plateaus and Plains
Ignimbrite Plateaus +
Basalt Plateaus +
Fissure Eruptions +
Phonolite Plains +
Basalt Plains +
New Zealand; Yellowstone; New Mexico
Deccan, India; Columbia, NW U.S.; Drakensburg, South Africa
Lakigígar, Iceland
Kenya; Dunedin; New Zealand
Snake River, Idaho
Lava Fields
Lava Tongues +
Ponded Lavas
Pahoehoe: Tumulis; Squeeze-Ups; Pressure Ridges
Block Pahoehoe
Block aa
Block and Ashflows
Fire Fountains
Scoria Mounds (cinder cones)
Adventive Cones
Galapagos, Ecuador
Keanakakoi, Hawaii
Many

McCartys Flow, New Mexico
Mt. Vesuvius, Italy
Martinique; Merapi, Java
Hawaii
Stromboli, Italy; Teahuahua, New Zealand
Mauna Kea, Hawaii
Exposed Intrusive Features
Laccoliths +
Dikes, Sills +
Henry Mountains, Utah
Spanish Peaks, Colorado; others
Maars and Tuff Rings
Maars +
Ubehebes
Basaltic Tuff rings +

Diatremes +
Eifel, France; Lago di Nemi, Italy
Death Valley, California
Diamond Head, Hawaii; Mt. Gambier, Australia; Hverfjall, Iceland
Hopi Buttes, Arizona; Kimberlites, South Africa
Rifts
Rift Valley +
Rift Liners +
Africa
MÝvatn Area, Iceland; Tarawera, New Zealand
Craters and Calderas
Craters +
Pit Craters

Calderas +
 Glencoe
 Krakatoa
 Multiple
Erosion Calderas +
Mt. Ubinas, Peru
Nyirangongo, Kenya; Halemaumau, Hawaii


Mt. Vesuvius, Italy; Fernandina; Aso, Japan
Krakatoa, Indonesia; Aniakchak, Alaska
Dyngjufjöll, Iceland

La Palma, Canary Islands; Mauritius; Banks Peninsula, New Zealand
Viscid Lavas, Coulées, and Tholoids
Convex Lava Flows
Cumulo Domes (Tholoids)

Obsidian Domes
Plug Domes
Spines
Ascension Island, United Kingdom; Mono Craters, California
Mayor Island, New Zealand; Puy de Dome, France; Tarawera, New Zealand
Mono Craters, California
Usu, Japan; Lassen Peak, California
Mt Pelée, Martinique
Tephra Showers and Nuées Ardentes
Vulcanian Ash Phase
Nuées Ardentes (First Orders) +:
Plateau-Building (Ignimbrite Sheets) +
Nuées Ardentes (Second Order)
Mt. Vesuvius, Italy1 Taupo, New Zealand; Katmai, Alaska
Mt. Pelée, Martinique; Valley of 10000 Smokes, Alaska
Bishop Tuff, California; Yellowstone Park, Wyoming-Montana
Mt. Pelée, Martinique; Santa Maria
Tephra-Built Stratified (with lava) Cones
Ash Cones +
Young Cones
Composite (stratified)Cones +
Multiple Cones +
Parasol Ribbing
Lahars (mudflows) +
Fujiyama, Japan
Vulcan, Italy; Rabaul, Papua, New Guinea; Paracutín, Mexico
Merapi, Indonesia; Mayon, Philippines; Agua, Guatemala
Tongariro, New Zealand
Mt. Vesuvius, Italy; Paracutín, Mexico
Bandaisan; Balunggung, Indonesia
Erosion Features
Ravine Cuts (Barrancos) +
Planeze Stage of Dessection +
Necks and Plugs +

Erosion Caldera +
Eroded Dome
Lava Ridges (inverted Topography) +
Lava Palisades
Popocatepetl, Mexico
Cantal, France
Shiprock, New Mexico; Roche St. Michel, France; Hopi buttes, Arizona
Huahine, Society Islands
Haleakala, Hawaii
Australia
Hudson River, New York

Some specific types mentioned in Tables 3-2 and 3-3 deserve further comment. Domical volcanic landforms (exogenous domes) result from the comparatively high fluidity of basaltic magmas. Smaller dome-shaped mountains, of the Icelandic type, have gentle lower slopes that may increase to angles of 20° or more toward the top. The much larger Hawaiian type (Plate V-10) has slopes around 1 to 3°, rarely exceeding 10°. Individual edifices may have basal dimensions approaching 100 km on a side and heights of 3 to 5 km. (The island of Hawaii is 400 km in diameter at its submarine base and reaches a total height of 10 km.)

Flood basalt plateaus and plains (Plates V-5, V-7, V-20, and V-23) cover areas exceeding 10000 km2. While generally of low relief after the final eruptive emplacement of lava onto a thickening pile, the terrain is affected by later erosion that produces notable relief characterized by benches and cliffs. This landscape form is sometimes referred to as "treppen" (step-like).

Composite volcanoes or stratocones comprise one of the most distinctive of all landforms. They occur in isolation (Mt. Etna, Plate V-16), in alignments (Kamchatka, Plate V-25), or in clusters, often numbering more than 100 in a field (Andes, Plate V-14). Stratocones may begin as tephra rings and grow into larger bodies (typically circular in plan view by repeated periodic episodes of eruption of both tephra (ash, lapilli, and blocks) and lavas. These two types of effluents complement each other in building up a stable structure. Outpourings of lava mix with fragmental ejecta to construct a reinforced conical landform about a structural mainframe consisting of dikes, sills, and cone sheets. The main, usually central vent, often topped by a crater at the surface, may also contain one or more endogenous domes (Plate V-8), also known as tholoids, or may extrude a transient spine of congealed lava.

Many larger stratocones eventually self-destruct by some type of explosive eruption, often resulting from introduced sea or ground water or melted snow, that succeeds in blowing away the peak and parts of the framework (Plate V-24). Expulsion of great volumes of ejecta and/or withdrawal of melted rock from the proximate magma chamber commonly robs the upper structure of support, leading to collapse and, at times, additional explosive ejection of the fragmented materials. The large craters (>1 km in diameter, up to 10 km or more) are termed calderas; if the rim of this great cavity remains intact, the caldera may fill with water to form a crater lake (Plates V-6 and V-18). Ignimbrites expelled during these events may spread over wide areas, as at the Yellowstone region in Wyoming (Figure 3.3), infilling more rugged terrain to produce an aggradational plateau.

Figure 3.3. Mountainous and flatlands terrain developed on ignimbrites, flows, and ash deposits produced during Late Tertiary and Quaternary volcanic activity in and around present-day Yellowstone National Park in northwestern Wyoming (landsat 1825-17294-7; October 26, 1972). Figure 3.3

A few added comments concerning the relevant volcanic features that can be recognized in the space images (those taken both from satellites and by astronaut-operated equipment) shown in this chapter closes the introductory section:

  1. For the most part, the scenes are mainly a mix of volcanic and other types of landforms. Plate V-4, for example, shows the Pinacate Field in northernmost Mexico as an area of recently active volcanism set apart from the Basin and Range structural landforms that dominate the scene. By contrast, the entire image of the Afar in Ethiopia (Plate V-21) depicts a volcanic terrain exclusively.

  2. The most common associations with volcanic landforms are those of tectonic/orogenic origin. This is to be expected in as much as anorogenic volcanism is the exception even on the continents. Volcanism is a characteristic or hallmark of several tectonic regimes. Referring to the classification given in the introduction to Chapter 2, Tectonic Landforms (p. 30), one can predict volcanic activity concomitant with lithospheric plate interactions for the following classes (named and then listed by the number-letter code used in that classification):

    I.Divergent Plate Margin:
    a. Intracontinental Rift (A-1)
    b. Oceanic Spreading Center (A-2)
    II. Convergent Plate Margin:
    a. Ocean-Ocean Plate Margin (B-1)
    b. Ocean-Continent Margin (B-2)
    c. Continent-Continent Margin (B-3)
    III.Transform Zone:
    a. Trench-Trench (Dead Sea Type) (C-1)
    b. Ridge-Trench (San Andreas Type) (C-2)
    c. Ridge-Ridge (San Andreas Type) (C-3)
    IV.Plate Interior:
    a. Shields (D-1)
    b. Posttectonic Magmatic Intrusions (D-4)
    c. Hot Spot Track (D-7)

  1. Space imagery is especially effective in placing active, recent, or older, but nearly always Cenozoic, volcanism in context with several types of structural control. Fault zones and rifts are the prevalent types, as exemplified in Plates V-21, V-25, and V-27. Alignments of volcanoes are frequently obvious, but the controlling fracture sets and lineaments are more difficult to discern in many images.

  2. Recognition and better definition of many volcanic land-forms that stand above their surroundings (cones, domes, eroded dikes, and viscous flows) are significantly enhanced by winter imagery (see Plates V-2 and V-25), owing to both lower Sun angles and occasional snow cover.

  3. Again, the synoptic aspect of space imagery helps to call attention to the remarkable range in sizes among such volcanic structures as stratocones (compare Plates V-14 and V-17) and calderas (Plates V-13 and V-18).

  4. Some landforms that at least partially owe their existence to volcanism display only subtle evidence of this connection in the imagery. The rounded hills and sculptured divides seen in Figure 3-1 do not readily manifest the influence of basaltic trap flows that cap underlying sedimentary rocks in the Siberian Platform, nor do the Karoo dolerite sills of South Africa (Plate V-20) produce a landscape that makes evident the role these intrusions play in the landform pattern.

  5. Other volcanic landforms maybe obscured by land-use patterns or soil cover. This is evident in the Deccan Plateau of India (Plate V-23) and the Snake River Plains of Idaho (Plate V-6). Tephra deposits are geologically transient, as indicated in the Mt. St. Helens subimage (Plate V-8), where only a few years of forest growth has diminished the once sharp contrast between tephra deposits and vegetated terrain.

  6. As is evident in Table 3.3, space imagery is presently not well suited to recognizing the majority of volcanic features whose critical dimensions are less than the effective resolution of the sensor system. This group of phenomena include pahoehoe, blocky, and aa lavas, plug domes, tholoids. spatter cones, hornitos, pit craters, many dikes (and dike swarms), and nearly all other small features. Some of these are even difficult to locate and identify in aerial photos. Certain other smaller features-maars, diatremes, necks, lahars, and welded tuff units--can frequently be spotted in space images of adequate resolution.

  7. Finally, under fortuitous circumstances, space imagery can capture a volcanic eruption "in the act" or can often provide the first direct evidence of the consequences of that eruption shortly thereafter. Plate V-8 offers a dramatic example in its extended coverage of the 1980 eruptions at Mt. St. Helens, during which a NOAA satellite actually picked up the airborne ash clouds in transit and after which Landsat provided the first complete view of the devastated area around the volcano. A lava flow in process of descending from one of the Galapagos volcanoes is visible in Plate V-13. New flows from eruptions at Mt. Etna (Plate V-16) in the 1980s are readily discernible.

Continue to Plate V-1| Chapter 3 Table of Contents.| Return to Home Page| Complete Table of Contents